关于恒华
产品中心
新闻动态
恒华文化
视频中心
人才中心
联系我们
English
P
Product Center
产品中心
国标系列
美标系列
德标系列
日标系列
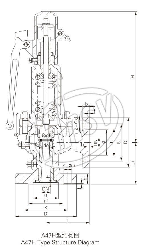
带扳手弹簧微启式安全阀
详细介绍
<
用途:
本阀门适用于工作温度≤350℃的蒸汽、空气等介质的设备或管路上,作为超压保护装置。
上一页
:先导式安全阀
下一页
:带扳手弹簧全启式安全阀
在线询盘
联系我们
地址: 浙江省永嘉县瓯北街道园区大道582号恒华销售中心
销售热线电话:0577-67987591
0577-67987579
传真: 0577-67987595
浙ICP备09024468号
Copyright © 2012 中国.恒华阀门有限公司 All Rights Reserved.
技术支持:联科科技