P

Product Center

产品中心
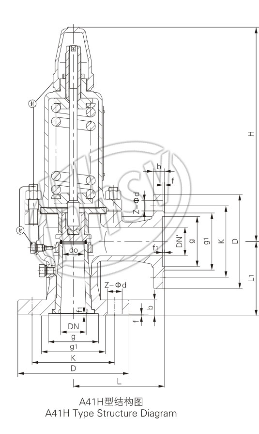
弹簧微启封闭式安全阀

详细介绍

用途:

  A41H型弹簧式安全阀适用于工作温度≤300℃的石油、空气、水等介质的设备或管路上。A41H-P/R型适用于工作温度≤200℃有腐蚀性介质的设备或管路上,作为超压保护装置。

在线询盘

联系我们

地址: 浙江省永嘉县瓯北街道园区大道582号恒华销售中心
销售热线电话:0577-67987591  
     0577-67987579
传真: 0577-67987595
浙ICP备09024468号 Copyright © 2012 中国.恒华阀门有限公司 All Rights Reserved. 技术支持:联科科技